• 网站首页
  • 机组种类
  • 品牌机组
  • 行业应用
  • 新闻动态
  • 客户服务
  • 公司简介
  • 联系我们
  • 行业动态
  • 新闻中心
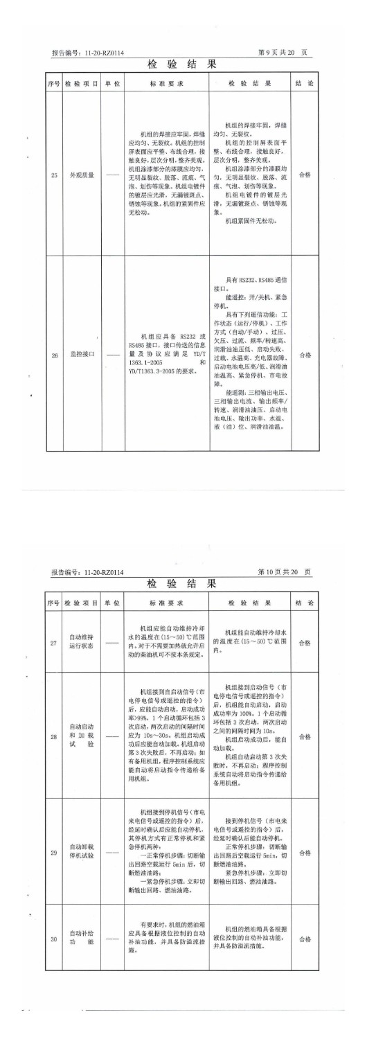
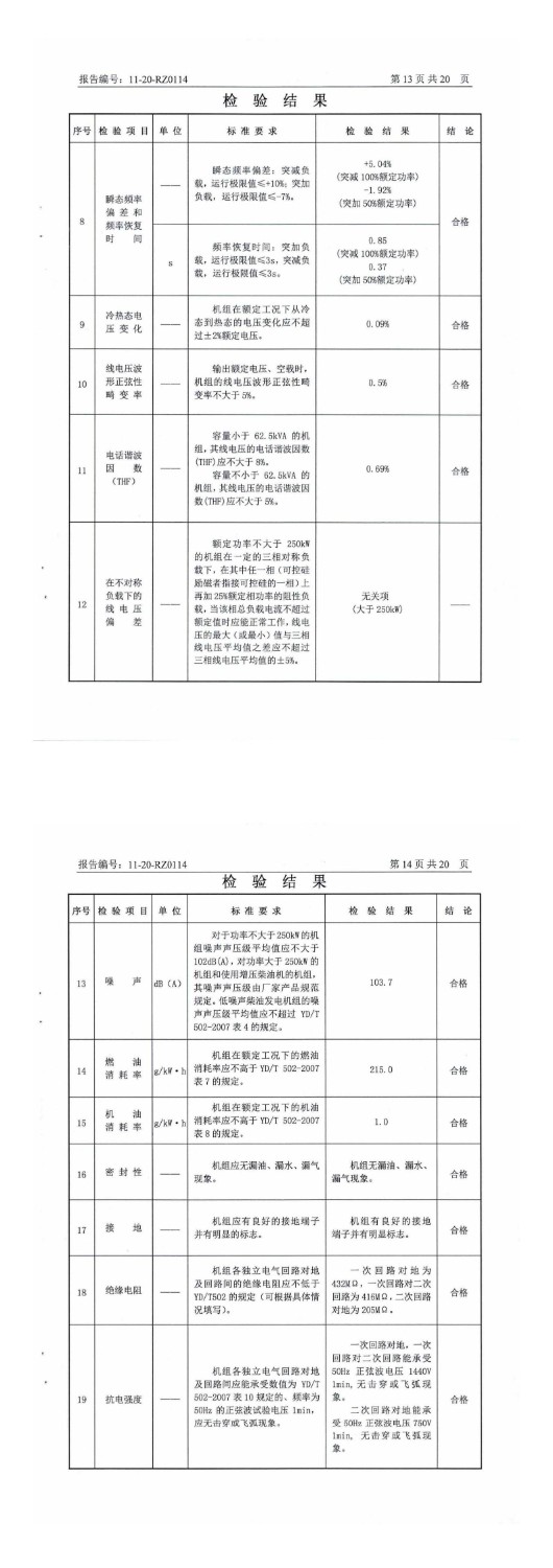
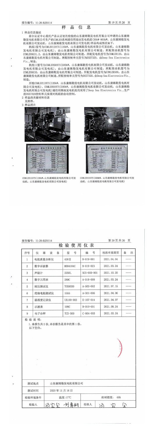
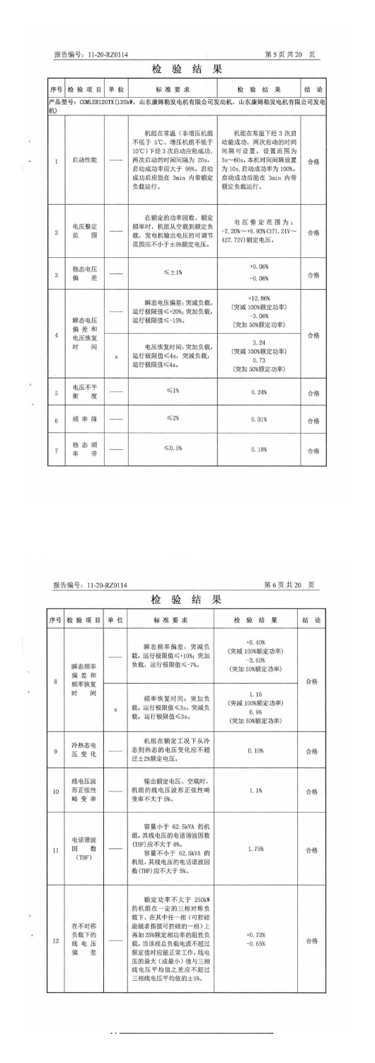
  • 康姆勒120kw、500kw柴油发电机检测报告

    2023-10-13 本文被阅读 574 次

    康姆勒120kw、500kw柴油发电机检测报告




  • 首页

    首页

  • 电话

    电话

  • 产品

    产品

  • 地址

    地址

  • Top