导航
网站首页
关于我们
产品展示
新闻动态
工程案例
资质荣誉
在线留言
联系我们
网站首页
机组种类
品牌机组
行业应用
新闻动态
客户服务
公司简介
联系我们
行业动态
新闻中心
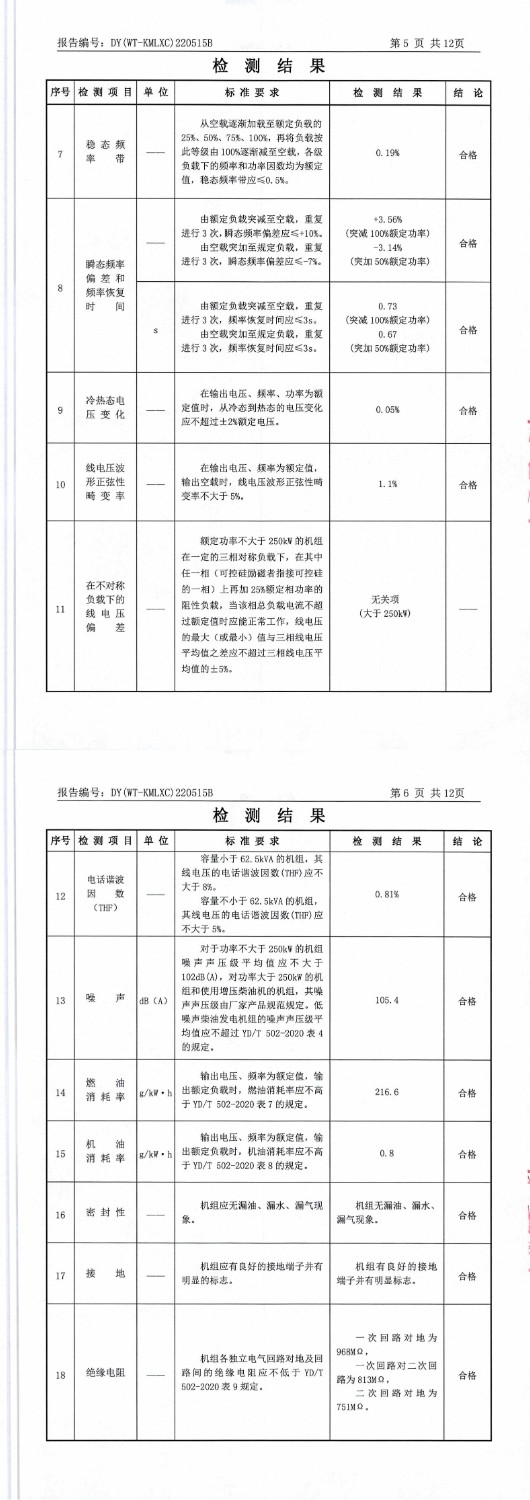
康姆勒720kw柴油发电机检测报告
2023-10-15 本文被阅读 514 次
康姆勒720kw柴油发电机检测报告
上一条:
自动化发电机组康姆勒电力:柴油发电机组对于工作环境有什么要求?
下一条:
原装低噪音发电机组康姆勒:柴油发电机组在运转中突然停机的原因
首页
电话
产品
地址
Top